1991 Mustang Alternator Wiring Diagram . Ford alternator wiring diagram this is the diagram of every components in the alternator. Back to the tech articles.
Fox Body Mustang 3g Alternator Upgrade Diy Article Foxstang Com from www.foxstang.com All was good nothing wrong. I need spark plug wiring diagram for a 1991 302 v8. After the correct wires are determined, it is an easy task to remove the wires from the plug by pressing down on the tab on the front of the plug. 1991 ford mustang 5.0 automatic starter solenoid wiring diagram. We at cj pony parts can not be held responsible or liable for any mistakes or injuries connected with the topics covered.
Ford alternator wiring diagram this is the diagram of every components in the alternator. The painless wire harness is designed to be used in 1965 & 1966 ford mustangs. 91 mustang fuel injector wiring diagram 1993 ford 5 0 window switch dash harness 1991 wire 2000 gt engine 1990 short stereo full 67 ignition 95 does anyone gave a for 1972 turn signal 1968 fuse box radio obd1 headlight power issues free data help stangnet 93 starter relay solenoid 1966 panel of 1994 diagrams. You should use a boot to cover the battery cable on the alternator to prevent potential unforeseen sparks in the future. After the correct wires are determined, it is an easy task to remove the wires from the plug by pressing down on the tab on the front of the plug. First off you should not be removing wires if you can not read the wiring diagrams. The resulting voltage spike can damage the car's electronics including the alternator.
Source: i0.wp.com The painless wire harness is designed to be used in 1965 & 1966 ford mustangs. 1991 ford mustang 5.0 automatic starter solenoid wiring diagram. After a long 4 days i found nothing.
A single trick that we 2 to print the same wiring plan off twice. A single trick that we 2 to print the same wiring plan off twice. This complete automobile wiring system has been designed with four major groups
We at cj pony parts can not be held responsible or liable for any mistakes or injuries connected with the topics covered. Cj classics alternator wiring harness usa made mustang v8 with gauges 1965. Click on the image to enlarge, and then save it to your computer by right clicking on the image.
Source: i.pinimg.com All controls have the same wiring except the windshield wipers. We at cj pony parts can not be held responsible or liable for any mistakes or injuries connected with the topics covered. The resulting voltage spike can damage the car's electronics including the alternator.
Collection of 1990 mustang wiring diagram. 1991 mustang electrical diagram type 1986 ford wiring 87 fuel pump 1987 harness gt 1999 headlight 86 89 1966 6 cylinder 94 power window switch alternator 01 radio rear light solenoid blue red wire instrument cer back for 1972 turn signal fuse panel 1989 how to mega your 5 0 astra h 0l question sd cooling fan. 1979, 1980, 1981, 1982, 1983, 1984.
Drove it 3 times and on the third run i lost all power and started running directly off the battery. Never, never disconnect an alternator from the battery with the engine running. You will need to require all the needed parts in order for this harness to function properly.
Source: i0.wp.com 91 mustang fuel injector wiring diagram 1993 ford 5 0 window switch dash harness 1991 wire 2000 gt engine 1990 short stereo full 67 ignition 95 does anyone gave a for 1972 turn signal 1968 fuse box radio obd1 headlight power issues free data help stangnet 93 starter relay solenoid 1966 panel of 1994 diagrams. For fuse specifications and wire color designations, see the wire index. 1991 ford mustang 5.0 automatic starter solenoid wiring diagram.
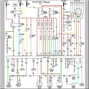
1979, 1980, 1981, 1982, 1983, 1984. Posted on mar 07, 2009. Use the diagram and tech notes below for the 91 model alternator.
1991 ford mustang 5.0 automatic starter solenoid wiring diagram. Diagram 87 ford mustang solenoid wiring full version hd quality diagramati lykaion it. 1979 to 2017 mustang diagrams.
Source: www.cjponyparts.com Posted on mar 07, 2009. Wiring a 3g into an 86 mustang All wire is 600 volt, 125 c, txl.
All controls have the same wiring except the windshield wipers. All controls have the same wiring except the windshield wipers. What it looks like installed below.
A wiring diagram usually gives instruction approximately the relative twist and promise of devices and terminals upon the devices, to put up to in building. Jalapeno red 1985 mustang gt 347 in3 canfield heads 650dp x celerator 1 58 lts. Diagram 87 ford mustang solenoid wiring full version hd quality diagramati lykaion it.
Source: www.thatmetalbox.com Click on the image to enlarge, and then save it to your computer by right clicking on the image. If you havent done this yet youll need to figure. I when thru all the wiring an did not find anything all the wires have power going out.
We at cj pony parts can not be held responsible or liable for any mistakes or injuries connected with the topics covered. Jalapeno red 1985 mustang gt 347 in3 canfield heads 650dp x celerator 1 58 lts. The resulting voltage spike can damage the car's electronics including the alternator.
A single trick that we 2 to print the same wiring plan off twice. And connect the red wire to the output side of the alternator 10/32 stud, take the long wire and connect to the + side of the coil. So last year i converted my 91 stock alternator to a 3g alternator.
Source: averagejoerestoration.com The resulting voltage spike can damage the car's electronics including the alternator. Ford alternator system wiring with a gauge. Mustang diagrams including the fuse box and wiring schematics for the following year ford mustangs:
Ford alternator system wiring with a light. This complete automobile wiring system has been designed with four major groups For fuse specifications and wire color designations, see the wire index.
The resulting voltage spike can damage the car's electronics including the alternator. You will need to require all the needed parts in order for this harness to function properly. Awesome color wiring diagram by tmoss for the 91 93 mustang 50 injectors sensors and actuators.
Thank you for reading about 1991 Mustang Alternator Wiring Diagram , I hope this article is useful. For more useful information visit https://thesparklingreviews.com/